Into

TwAin

产品中心
FUT系列熔断器式隔离开关

FUT系列熔断器式隔离开关是单相交流50Hz低压开关设备,用于额定电压0.5kV电力系统中,作为当变压器低压侧发生短路或过载时能有效的,保护变压器不被烧毁。

  • 产品图片
  • 产品特点
  • 主要技术参数
  • 型号释义
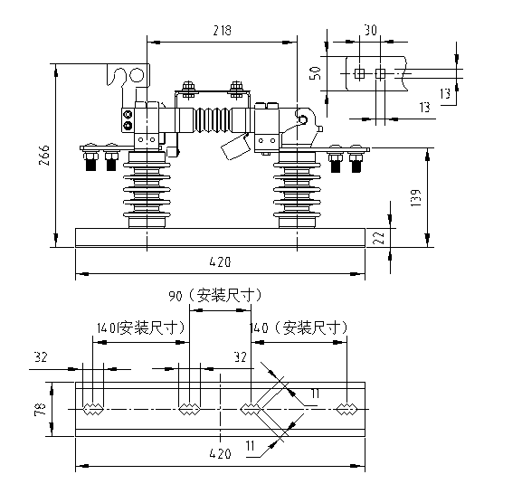
  • 外形尺寸图
  • FUT系列熔断器式隔离开关

结构组成:刀闸开关为单相结构,每相由安装底板,支柱绝缘体、刀闸、触头等组成。闸刀上端有固定拉环,供绝缘操作钩棒进项分合使用。

结构特点:本刀闸在低压侧线路检修状态下可取下刀片,保证有一明显的开断点,有效保证人员的人身安全。可在地面操作更换熔片,维护方便。主接触刀采用双层,冷拉圆边的T2铜刀片,外镀银并进行防氧化处理,具有高导电、低接触电阻;

采用高性能进口户外环氧树脂绝缘支柱,具有憎水、自洁、抗紫外线,不受气候影响而老化的性能。

产品整体结构新颖、结合坚固、操作灵活、具有多种安装形式可供选择。




熔片规格参数



走进唐恩| 新闻资讯| 产品中心| 销售网络| 招商加盟| 人才中心| 联系我们
Copyright © 2015 唐恩(厦门)电气有限公司所有版权   闽ICP备15017794号
收缩