Into
TwAin
Products Center

FUT series fuse type isolating switch is single phase AC 50Hz low voltage switch equipment For rated voltage 0.5kV power system,Provide effective protection when short circuit or overload occurs at low voltage side of transformer.
- Images
- Features
- Technical parameters
- Model Interpretation
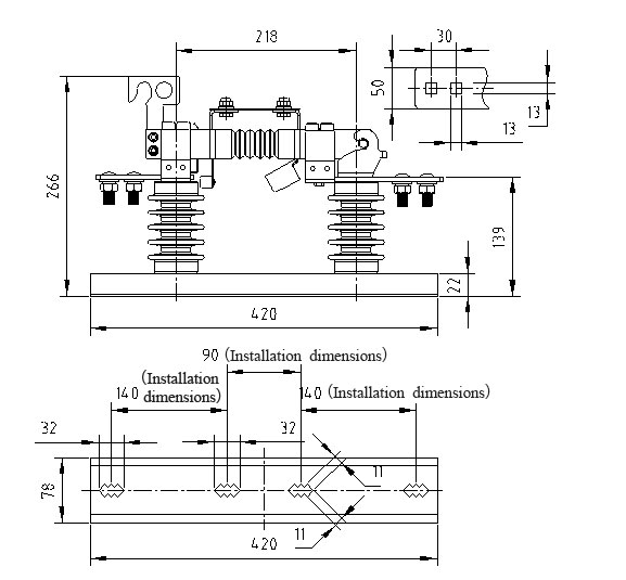
- Outline dimensional drawings
-
FUT series fuse type isolation switch
Structure: The breaker switch is single-phase structure, each phase was composed of installed base, pillar insulator, breaker, contact and other components. There is a fixed ring-pull in the upper breaker and rod hook input can be used for insulation operation.
Structural features: The blade of breaker in the low-voltage side line can be removed for maintenance to ensure the clear breakpoint, and also effectively ensure the safety of personnel. The fuse can be replaced on the ground and easy for maintenance. The main contact blade uses double-layer copper T2 blade, with cold-drawn round edge. The outer silver is plated and has OSP treatment, with high electrical conductivity, low contact resistance.
With the use of high-performance imported outdoor epoxy insulation pillars, it has the features such as water-repellent, self-cleaning, anti-UV, weather-proof and anti-aging.
Product’s structure is quite creative as a whole, combined with strong, flexible operation, with a variety of installation options.
Specifications of fuse link


